10 Things You Must Know About Gear Parts
Gears are mechanical parts with teeth that can fit together. Gear transmission can complete functions such as deceleration, speed increase, and direction change. It is widely used in mechanical transmission and the entire mechanical field. This article summarizes the processing technology of gear parts.
(1) Function and structure of gears
Although gears are designed in different shapes and sizes due to their different functions in the machine, they can always be divided into two parts: the ring gear and the wheel body. Common cylindrical gears include the following categories (picture below): disc gears, sleeve gears, internal gears, shaft gears, sector gears, and racks. Among them, disc gears are the most widely used.
Structural form of cylindrical gear
A cylindrical gear can have one or more ring gears. Ordinary single ring gears have good craftsmanship; while the small ring gears of double or triple gears are often affected by shoulders, which limits the use of certain processing methods, and generally only gear shaping can be used. If the gear accuracy is high and gear shaving or grinding is required, the multi-ring gear is usually made into a combined structure of a single-ring gear.
(2) Accuracy requirements for cylindrical gears
The manufacturing accuracy of the gear itself has a great impact on the working performance, load-bearing capacity and service life of the entire machine. According to the usage conditions of gears, the following requirements are put forward for gear transmission:
1. Movement accuracy
The gear is required to accurately transmit motion and the transmission ratio is constant, that is, the rotation angle error of the gear is required not to exceed a certain range during one revolution.
2. Work stability
The gear transmission movement is required to be smooth and the impact, vibration and noise should be small. This requires limiting the change in instantaneous speed ratio when the gear rotates, that is, limiting the rotation angle error within a short period.
3. Contact accuracy
When the gear is transmitting power, in order to avoid excessive contact stress due to uneven load distribution, causing premature wear of the tooth surface, this requires that the tooth surface contact should be uniform when the gear is working, and ensure a certain contact area and contact that meets the requirements. Location.
4. Tooth side clearance
When gear transmission is required, a certain gap is left between non-working tooth surfaces to store lubricating oil and compensate for dimensional changes caused by temperature and elastic deformation and some errors during processing and assembly.
(3) Gear material
Gears should be made of appropriate materials according to the working conditions used. The choice of gear material has a direct impact on the processing performance and service life of the gear.
Generally, medium carbon steel (such as 45 steel) and low and medium carbon alloy steel are used for gears, such as 20Cr, 40Cr, 20CrMnTi, etc. ² Important gears with higher requirements can be made of 38CrMoAlA nitrided steel. Non-power transmission gears can also be made of cast iron, bakelite or nylon and other materials.
(4) Heat treatment of gears
In gear processing, two heat treatment processes are arranged according to different purposes:
1. Blank heat treatment
Arrange pre-heat treatment normalizing or tempering before and after the tooth blank processing. The main purpose is to eliminate the residual stress caused by forging and rough machining, improve the machinability of the material and improve the comprehensive mechanical properties.
2. Tooth surface heat treatment
After tooth processing, in order to improve the hardness and wear resistance of the tooth surface, heat treatment processes such as carburizing quenching, high-frequency induction heating quenching, carbonitriding and nitriding are often performed.
(5) Gear blank
The main forms of gear blanks include bar stock, forgings and castings. Bar stock is used for gears with small size, simple structure and low strength requirements. When gears require high strength, wear resistance and impact resistance, forgings are often used. For gears with a diameter greater than 400 to 600mm, casting blanks are often used.
In order to reduce the amount of mechanical processing, for large-sized, low-precision gears, gear teeth can be cast directly; for small-sized, complex-shaped gears, new technologies such as precision casting, pressure casting, precision forging, powder metallurgy, hot rolling, and cold extrusion can be used. The process produces tooth blanks with gear teeth to improve labor productivity and save raw materials.
(6) Selection of machining plan for tooth blank
For the tooth blanks of shaft gears and sleeve gears, the processing process is basically similar to that of general shafts and sleeves. Now we mainly discuss the processing process of disc gear tooth blanks. The machining process plan of the tooth blank mainly depends on the wheel body structure and production type of the gear.
1. Processing of mass-produced gear blanks
When processing medium-sized tooth blanks in large quantities, the process plan of "drilling, pulling and turning multiple tools" is often used.
(1) Drill or expand holes based on the outer circle and end face positioning of the blank.
(2) Pull holes.
(3) Use hole positioning to rough and finish the outer circle, end face, grooving and chamfering on a multi-tool semi-automatic lathe.
This process solution uses high-efficiency machine tools to form an assembly line or automatic line, so the production efficiency is high.
2. Processing of gear blanks for mass production
When producing tooth blanks in batches, the process plan of "one car, one car, one car" is often used.
(1) Position the outer circle of the tooth blank or the wheel hub, and finish turning the outer circle, end face and inner hole.
(2) Use the end face to support the drawing hole (or spline hole).
(3) Use holes to position the outer circle and end face of precision turning.
This solution can be realized with a horizontal lathe or a turret lathe and a broaching machine. It is characterized by stable processing quality and high production efficiency.
When the tooth blank hole has steps or the end face has grooves, you can make full use of the multi-tools on the turret lathe for multi-station processing, and complete the processing of the tooth blank on the turret lathe at one time.
(7) Gear tooth processing method
The tooth profile processing of the gear ring gear is the core of the entire gear processing. There are many processes in gear processing, which all serve the tooth profile processing, and the purpose is to finally obtain gears that meet the accuracy requirements.
According to the processing principle, tooth shape can be divided into forming method and generation method. The forming method is a method of cutting out the tooth surface with a forming tool that conforms to the shape of the tooth slot of the gear to be cut, such as tooth milling, tooth broaching and forming tooth grinding.
The generation method is a method in which the gear cutter and the workpiece perform a generation motion to cut out the tooth surface according to the meshing relationship of the gear pair, such as hobbing, shaping, shaving, grinding and honing.
The choice of tooth profile processing scheme mainly depends on the accuracy level, structural shape, production type and production conditions of the gear. For gears with different accuracy levels, the commonly used tooth profile processing schemes are as follows:
Gears with precision below level 8
The requirements can be met by hobbing or shaping the quenched and tempered gears. For hardened gears, the processing plan can be: rolling (inserting) teeth - tooth end processing - quenching - correction holes. However, the tooth profile machining accuracy before quenching should be improved by one level.
Level 6-7 precision gears
For hardened gears, you can use: rough hobbing - fine hobbing - tooth end machining - fine shaving - surface quenching - calibration reference - honing.
Gears with level 5 or above precision
Generally used: rough gear hobbing - fine gear hobbing - tooth end processing - quenching - correction reference - rough grinding of teeth - fine grinding of teeth. Gear grinding is currently the processing method with the highest accuracy and the smallest surface roughness value in tooth shape processing. The highest accuracy can reach level 3-4.
1. Milling gear
Gear accuracy level: below level 9
Tooth surface roughness Ra: 6.3~3.2μm
Scope of application: In single-piece repair production, processing low-precision external cylindrical gears, racks, bevel gears, and worm gears
2. Tooth pulling
Gear accuracy level: Level 7
Tooth surface roughness Ra: 1.6~0.4μm
Scope of application: Mass production of 7-level internal gears. The manufacturing of external gear broach is complicated, so it is rarely used.
3. Gear hobbing
Gear accuracy grade: 8~7
Tooth surface roughness Ra: 3.2~1.6μm
Scope of application: processing of medium-quality external cylindrical gears and worm gears in various mass productions
4. Gear shaping
Gear accuracy grade: 8~7
Tooth surface roughness Ra: 1.6μm
Scope of application: In various mass production, processing medium-quality internal and external cylindrical gears, multi-link gears and small racks
5. Rolling (or inserting) teeth - quenching - honing
Additional resources:Can you use an airless sprayer without a filter?
Key Features and Applications of Single Row Cylindrical Roller Bearings
10 Things You Should Know About Bearing Shelve Services
How Bearing Shelve Services Improve Storage Efficiency?
How to Choose the Best Pump Cover Exporter?
How Should Pump Cover Exporters Adapt to Change?
How Does a Pulp Molding AOI Machine Work?
Gear accuracy grade: 8~7
Tooth surface roughness Ra: 0.8~0.4μm
Scope of application: gears for tooth surface quenching
6. Gear hobbing - gear shaving
Gear accuracy grade: 7~6
Tooth surface roughness Ra: 0.8~0.4μm
Scope of application: Mainly used for mass production
7. Gear hobbing - gear shaving - quenching - gear honing
Gear accuracy grade: 7~6
Tooth surface roughness Ra: 0.4~0.2μm
Scope of application: Mainly used for mass production
8. Rolling (inserting) teeth - quenching - gear grinding
Gear accuracy level: 6~3
Tooth surface roughness Ra: 0.4~0.2μm
Scope of application: used for tooth surface processing of high-precision gears, low productivity and high cost
9. Gear rolling (inserting) - gear grinding
Gear accuracy level: 6~3
Tooth surface roughness Ra: 0.4~0.2μm
Scope of application: used for tooth surface processing of high-precision gears, low productivity and high cost
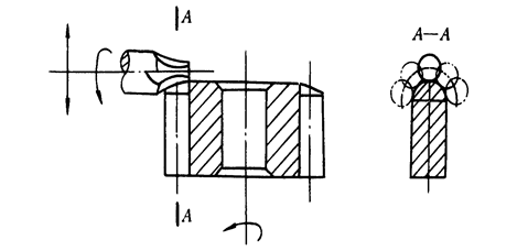
(8) Processing of tooth end
The tooth end processing of gears includes rounding, chamfering, chamfering and deburring, as shown in the figure below. The rounded and chamfered gears can easily enter the meshing state when shifting gears, reducing the impact phenomenon. Chamfering removes sharp edges and burrs from tooth tips.
Tooth end processing
a) rounding b) chamfering c) chamfering
During rounding, the milling cutter rotates at high speed and swings along an arc. After processing one tooth, the workpiece retreats from the milling cutter, is indexed, and then quickly approaches the milling cutter to process the tooth end of the next tooth. Tooth end processing must be performed before gear quenching. It is usually arranged after gear rolling (insertion) and before gear shaving.
(9) Processing process of spur gear cylindrical gears
High precision gears
1. Blank forging
2. Normalizing heat treatment
3. Rough turning shape, leaving 2mm machining allowance everywhere
Positioning datum: outer circle and end face
4. Finish turning everywhere, the inner hole is to Φ84.8H7, leaving a grinding allowance of 0.2mm in the total length, and the rest to the size
Positioning datum: outer circle and end face
5. Inspection
6. Hobbing the tooth surface, leaving a grinding allowance of 0.25~0.3mm
Positioning reference: inner hole and end face A
7. Chamfer
Positioning reference: inner hole and end face A
8. Deburring by fitter
9. Tooth surface high frequency quenching HRC52
10. Key slot
Positioning reference: inner hole and end face A
11. Grind the large end face A
Positioning reference: inner hole
12. Grind surface B to total length
Positioning reference: end face A
13. Grind the inner hole to φ85H5
Positioning reference: inner hole and end face A
14. Tooth surface grinding
Positioning reference: inner hole and end face A
15. Inspection
(10) Analysis of gear processing process
1. Selection of positioning reference
The selection of gear positioning benchmarks often differs depending on the structural shape of the gear. Gears with shafts mainly use center positioning, and when the hole diameter is large, taper plugs are used. The accuracy of top positioning is high and the benchmark can be unified. The following two positioning and clamping methods are often used when processing the tooth surface of gears with holes.
(1) Positioning by the inner hole and end face, that is, positioning the inner hole and end face of the workpiece jointly to determine the center and axial position of the gear, and adopt a clamping method facing the positioning end face. This method can make the positioning datum, design datum, assembly datum and measurement datum coincide, with high positioning accuracy and suitable for mass production. However, the manufacturing precision of the fixture is required to be relatively high.
(2) Positioning of the outer circle and end face. The fit gap between the workpiece and the fixture mandrel is relatively large. Use a dial indicator to calibrate the outer circle to determine the position of the center, and position it with the end face; clamp it from the other end face. This method has low production efficiency because each workpiece must be calibrated; it has high requirements for the coaxiality of the inner and outer circles of the gear blank, but does not require high precision for the fixture, so it is suitable for single-piece and small-batch production.
2. Processing of gear blanks
Gear blank processing before tooth surface processing occupies a very important position in the entire gear processing process, because the benchmark used for tooth surface processing and inspection must be processed at this stage; whether it is to improve productivity or to ensure the processing quality of the gear , all must pay attention to the processing of gear blanks.
Among the technical requirements for gears, attention should be paid to the dimensional accuracy requirements of the tooth addendum circle, because the detection of tooth thickness is based on the tooth addendum circle. If the tooth addendum circle accuracy is too low, the measured tooth thickness value will inevitably be incorrect. Reflects the size of the tooth side clearance.
Therefore, the following three issues should be paid attention to during this processing process:
(1) When using the tooth tip circle diameter as the measurement reference, the dimensional accuracy of the tooth tip circle should be strictly controlled.
(2) Ensure the mutual perpendicularity between the positioning end face and the positioning hole or outer circle
(3) Improve the manufacturing accuracy of the inner hole of the gear and reduce the matching gap with the fixture mandrel
Additional resources:Understanding Copeland Air Conditioning Scroll Compressors
How to Choose Between Rooftop Parking and Backpack Parking Air Conditioners?
Top Valve Parts Casting Exporters You Should Know
Choosing the Right Reducer Housing Vendor for Your Needs
Top Tips for Choosing a Valve Bonnet Vendor
What is Bearing Preload Spring and Its Importance?
Are You Struggling with Inefficient Bolt Cutting Techniques?











